Вопрос по физике:
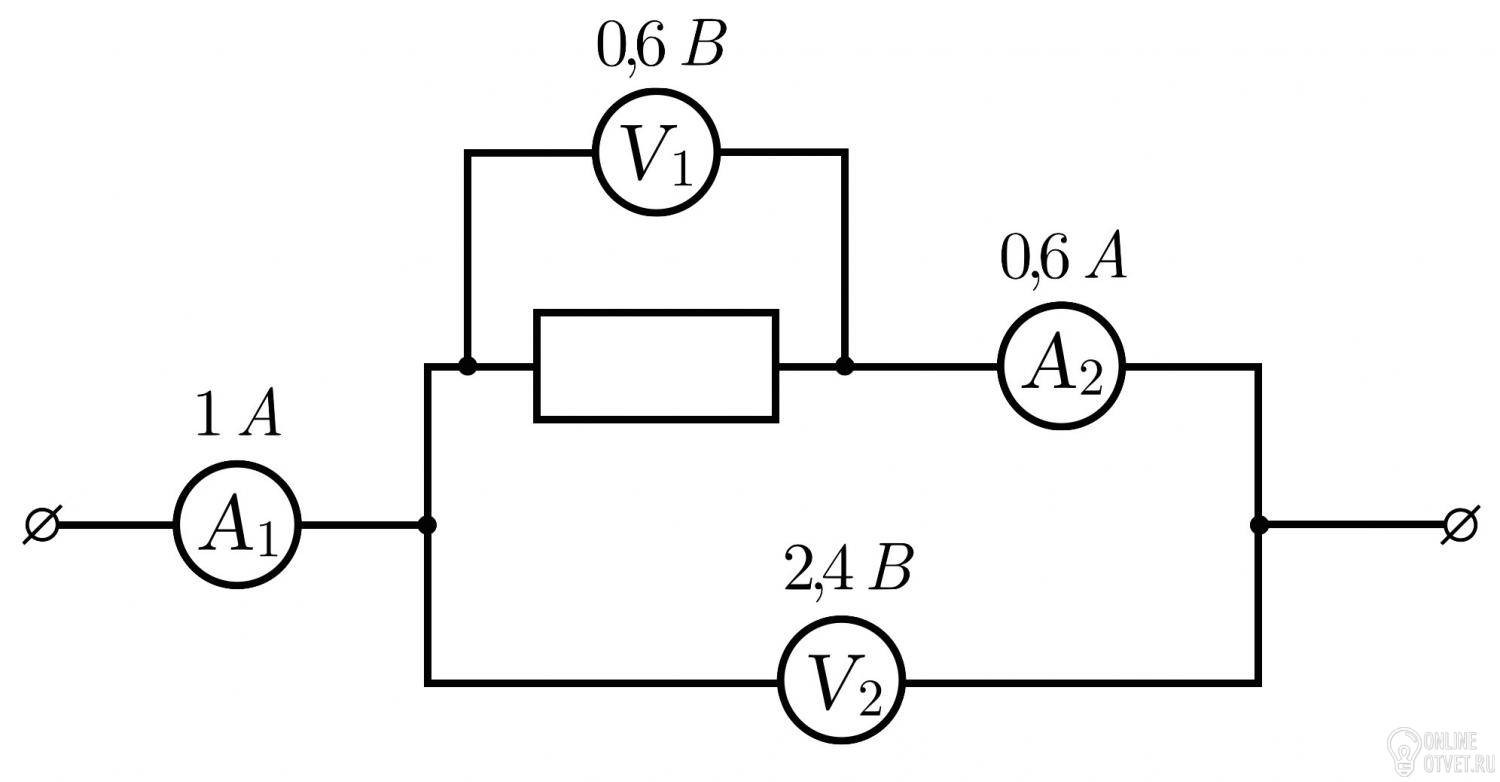
На рисунке изображена электрическая цепь. Амперметр A1 и вольтметр V1 являются идеальными. Амперметр A2 и вольтметр V2 являются неидеальными.
Чему равно сопротивление неизвестного резистора?
Чему равно сопротивление амперметра A2?
Чему равно сопротивление вольтметра V2?
Ответы выразить в Ом, округлив до целых.
Буду премного благодарна за вашу помощь :3
- 04.06.2018 10:00
- Физика
- remove_red_eye 1709
- thumb_up 41
Ответы и объяснения 1
1) R - ?
для определения сопротивления резистора R заметим две важные детали:
• U(V1) = U(R)
• I(A2) = I(R)
таким образом, мы знаем силу тока и напряжение на резисторе R. тогда мы, используя закон Ома для участка цепи, без проблем можем определить сопротивление:
R = U(V1)/I(A2) = 0.6/0.6 = 1 Ом
2) R(A2) - ?
заметим, что:
• U(V2) = U(R) + U(A2)
значит, U(A2) = U(V2) - U(R) = 2.4 - 0.6 = 1.8 B
тогда R(A2) = U(A2)/I(A2) = 1.8/0.6 = 3 Ом
3) R(V2) - ?
заметим, что:
• I(A1) = I(A2) + I(V2)
значит, I(V2) = I(A1) - I(A2) = 1 - 0.6 = 0.4 A
тогда R(V2) = U(V2)/I(V2) = 2.4/0.4 = 6 Ом
- 05.06.2018 15:46
- thumb_up 48
Знаете ответ? Поделитесь им!
Есть сомнения?
Не нашли подходящего ответа на вопрос или ответ отсутствует? Воспользуйтесь поиском по сайту, чтобы найти все ответы на похожие вопросы в разделе Физика.
Трудности с домашними заданиями? Не стесняйтесь попросить о помощи - смело задавайте вопросы!
Физика — область естествознания: естественная наука о простейших и вместе с тем наиболее общих законах природы, о материи, её структуре и движении.