- 06.07.2017 00:12
- Физика
- remove_red_eye 6308
- thumb_up 49
Ответы и объяснения 1
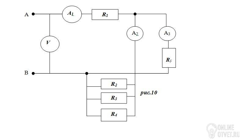
R234=R/3
R2345 = R234*R5/(R234+R5)=R/3*R/(R/3+R)=R/4
Rэквив = R1 + R2345 = R+R/4=5R/4
I1= I =0,8
U=12
I = U/R экв = 4U/5R
R = 4U/5I = 4*12/(5*0,8) = 12 Ом
Rэквив = 5R/4 = 5*12/4 = 15 Ом - эквивалентное сопротивление
U1 = R1*I1=R*I=12*0,8= 9,6 В
U5 = U234 = U - U1= 12-9,6=2,4 В
I5 = U5/R5 = 2,4/12 = 0,2 А - показания амперметра А3
I234 = I1 - I5 = 0,8 - 0,2 = 0,6 А - показания амперметра А2
- 06.07.2017 22:43
- thumb_up 13
Знаете ответ? Поделитесь им!
Есть сомнения?
Не нашли подходящего ответа на вопрос или ответ отсутствует? Воспользуйтесь поиском по сайту, чтобы найти все ответы на похожие вопросы в разделе Физика.
Трудности с домашними заданиями? Не стесняйтесь попросить о помощи - смело задавайте вопросы!
Физика — область естествознания: естественная наука о простейших и вместе с тем наиболее общих законах природы, о материи, её структуре и движении.