Вопрос:
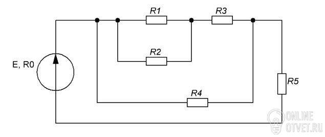
К электрической цепи из пяти резисторов сопротивлениями R1, R2, R3, R4, R5 подключен источник с эдс E и внутренним сопротивлением R0. Необходимо найти общее внешнее сопротивление Rобщ, силу тока в каждом резисторе I1, I2, I3, I4, I5 и напряжение на каждом резисторе U1, U2, U3, U4, U5. Для проверки правильности решения составить баланс мощностей.
E = 200 В
R0 = 1 Ом
R1 = 6.8 Ом
R2 = 4.7 Ом
R3 = 3.3 Ом
R4 = 2.2 Ом
R5 = 1.5 Ом
- 08.12.2016 14:22
- Другие предметы
- remove_red_eye 7405
- thumb_up 35
Ответы и объяснения 1
- 09.12.2016 02:24
- thumb_up 21
Знаете ответ? Поделитесь им!
Есть сомнения?
Не нашли подходящего ответа на вопрос или ответ отсутствует? Воспользуйтесь поиском по сайту, чтобы найти все ответы на похожие вопросы в разделе Другие предметы.
Трудности с домашними заданиями? Не стесняйтесь попросить о помощи - смело задавайте вопросы!
В данном разделе публикуются вопросы и ответы на них к непопулярным предметам.